Auswahl und Erstellung eines geeigneten Reifenmodells zur Simulation der Fahrzeugdynamik des proTRon EVOLUTION

Problemstellung

Das Antriebskonzept des proTRon EVOLUTION sieht vor, dass jeweils ein Motor auf beiden Seiten die Hinterräder antreibt. Da Funktionen, wie das Zulassen von Differenzdrehzahlen bei einer Kurvenfahrt oder die Rekuperation von Bewegungsenergie zum Verzögern des Fahrzeugs, elektronisch geregelt und im Motorsteuergerät implementiert werden müssen, wird ein Fahrzeugmodell zur Simulation der Fahrzeugdynamik benötigt. In diesem Projekt wird der Aufbau eines solchen Modells vorangetrieben und dazu ein geeignetes Reifenmodell erstellt.

Methode

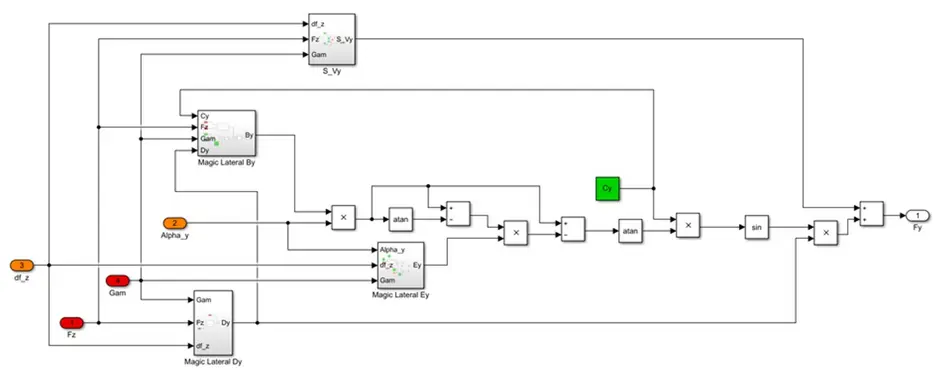
Nach einer tiefgehenden Literaturrecherche zu Fahrzeugdynamik und Fahrdynamikmodellen wird das „Magic Formula Tyre Model“ als geeignetes Reifenmodell ausgewählt. Mit Hilfe von MATLAB/Simulink werden Modelle zur Berechnung der Reifenlängs- und –Querkräfte erstellt. Die simulierten Reifenkennlinien stimmen in ihrem Verlauf mit Kennlinien aus der Literatur überein.

Ergebnis

Neben einem Zugewinn an neuem Wissen und Fähigkeiten, konnte in diesem Projekt ein geeignetes Reifenmodell zur Simulation der Fahrzeugdynamik ausgewählt und erstellt werden. In Folgeprojekten sollte das Fahrzeugmodell weiter ergänzt werden, bis ein komplettes Simulationsmodell des proTRon EVOLUTION dazu verwendet werden kann die gewünschten Funktionen in das Antriebssteuergerät zu implementieren.

 

 

Antriebskonzept des proTRon EVOLUTION
Simulinkmodell zur Berechnung der Reifenlängskräfte mit Hilfe der „Magic Formula“
Vergleich einer typischen Reifenkraftkurve (links) mit dem Ergebnis der Simulation für die Umfangskraft (rechts)
back-to-top nach oben