3.2315 / EN AW-6082

Diese Knetlegierung weist ein ähnliches Mikrogefüge wie AW-2017A auf, allerdings ist die Härte aufgrund des fehlenden Cu-Gehalts deutlich geringer.

Die Legierung EN AW-6082 ist eine hochfeste Legierung für hochbeanspruchte Strukturanwendungen. Typische Anwendungsbereiche sind Gerüst-, Schienenwagen-, Offshore-, Container-, Maschinenbau- und Fahrzeugkranelemente. Aufgrund der feinkörnigen Struktur zeigt diese Legierung eine gute Resistenz gegenüber dynamischen Belastungsbedingungen. EN AW-6082 ist für den Einsatz in Schiffsanwendungen zertifiziert.
In den vorliegenden Fällen wurde mit dem Zusatzstoff AW2007 WIG-geschweißt.

Die gut erkennbaren schwarzen Flecken sind Gasporen bzw. Lunker. Allgemein ist die Wärmeeinflusszone sehr schmal, da Aluminium sehr gute Wärmeleiteigenschaften besitzt.
Im Grundgefüge sind die Sekundärphasen sehr gut erkennbar.

Zur Sichtbarmachung der Körner ist eine Doppelätzung mit NaOH und Kaliumpermanganat notwendig, teilweise wurde mit NaOH nachgeätzt, um die Körner weiter zu verdeutlichen.

Grundwerkstoff:

25x Doppelätzung nach Weck
50x
100x
200x
500x
1000x

Schweißung:

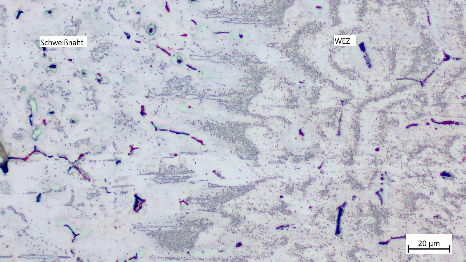
100x Schweißnaht, mit NaOH 5%
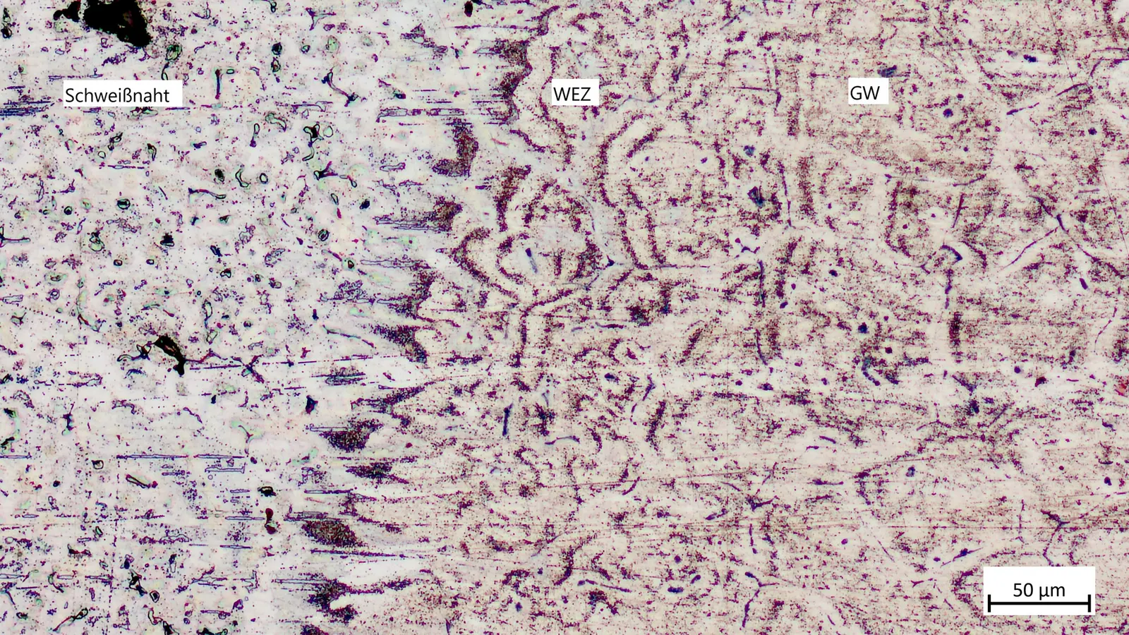
100x Übergang Schweißnaht-WEZ-GW, Doppelätzung nach Weck & erneute Ätzung mit NaOH 5%
200x Schweißnaht, mit NaOH 5%
200x Übergang Schweißnaht-WEZ-GW, Doppelätzung nach Weck & erneute Ätzung mit NaOH 5%
500x Schweißnaht, mit NaOH 5%
500x Übergang Schweißnaht-WEZ, Doppelätzung nach Weck & erneute Ätzung mit NaOH 5%
back-to-top nach oben