1.0577 /S 355 J2+N

Laserstrahlgeschweißt mit Faserlaser und programmierbarer Faseroptik; 3 mm, ohne Vorwärmung

Rissbildung an der Schmelzlinie der Wurzel; Wurzelrückfall und Schlackenreste, unzureichender Gasfluss; Schweißparametersatz 1
Schweißgut mit Wärmeinflusszone ohne Rissbildung Schweißparametersatz 2
Wärmeeinflusszone, 100x
Wärmeeinflusszone, 500x
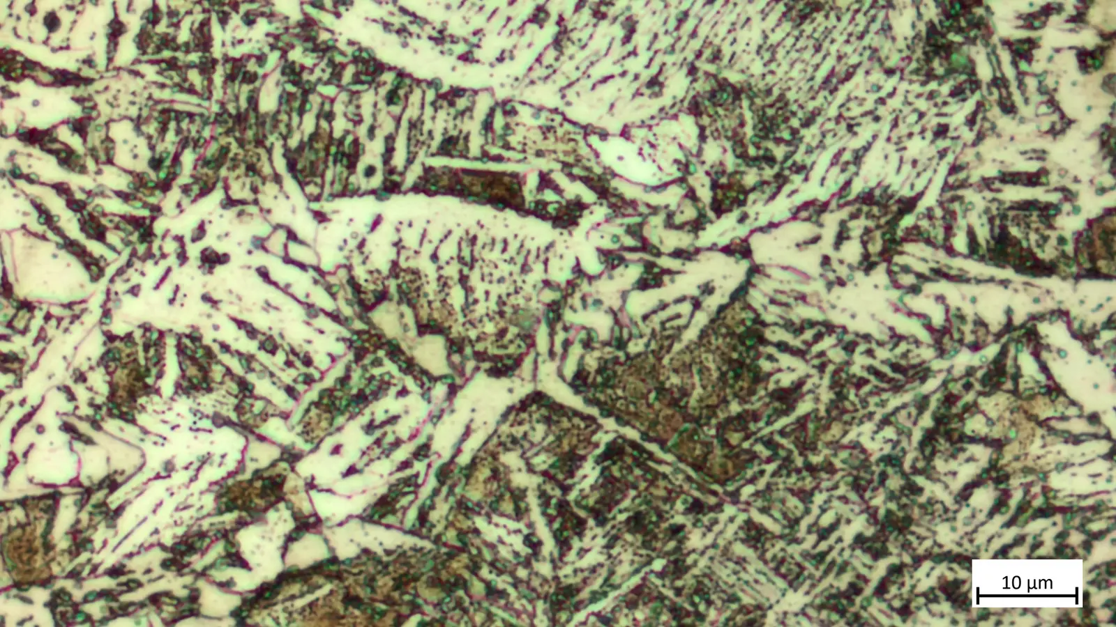
Wärmeeinflusszone; bainitisch-martensitische Bildung mit Härten bis zu 380 HV, 1000x
Schweißgut, 100x
Schweißgut, 200x
Schweißgut, 1000x; Bildung von Ferritnadeln, Widmannstätten-Gefüge
back-to-top nach oben