AlCu4Ti / EN AC-21100 / 3.1841

100x
200x
500x
1000x

Zusammensetzung:
4,82% Kupfer, 0,32% Silizium, 0,22% Eisen, 0,17% Titan, 0,019% Mangan, Rest (ca. 94%) Aluminium

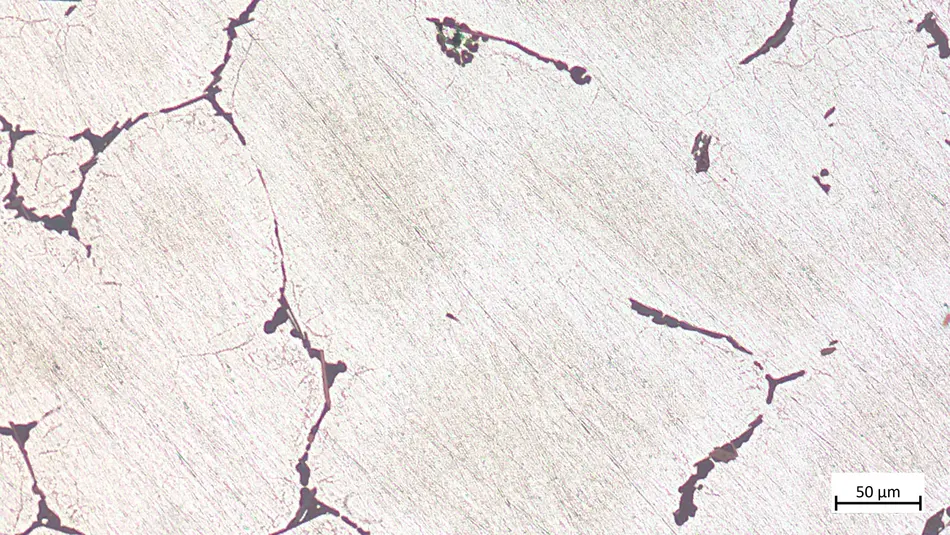
Gefügeaufbau:

  • In den Korngrenzen der Al-Mischkristalle (hell, beige)
  • Ausscheidungen von Al2Cu (hell, scharf umrandet) und Al6Cu2Fe-
  • Kristalle (grau)

Allg. Eigenschaften:
hohe Dauerschwingfestigkeit, erfüllt höchste Festigkeits- und Zähigkeitsansprüche, ausgezeichnete Spanbarkeit, gute Polierbarkeit, unzureichende Schweissbarkeit und Beständigkeit gegen Wasser und Meerwasser

Verwendungsmöglichkeiten:
Gussstücke mit höchstmöglicher Festigkeit und Härte bei ausgezeichneter Dehnung

Anwendungsbeispiele:
Luft- und Raumfahrt, Wehrtechnik, Schienenfahrzeuge, Maschinenteile
Einschränkung: sofern Korrosion kein Hindernis darstellt.

Euro-Norm:
EN AC-21100

DIN Nr.:
3.1841 

back-to-top nach oben