1.0045 / S355 JR

Dieser Baustahl weist eine Streckgrenze von 355 N/mm² auf. Seine Kerbschlagarbeit beträgt mindestens 27 J bei 20°C. Er ist in der Regel ohne weitere präventive Maßnahmen gut schweißbar.
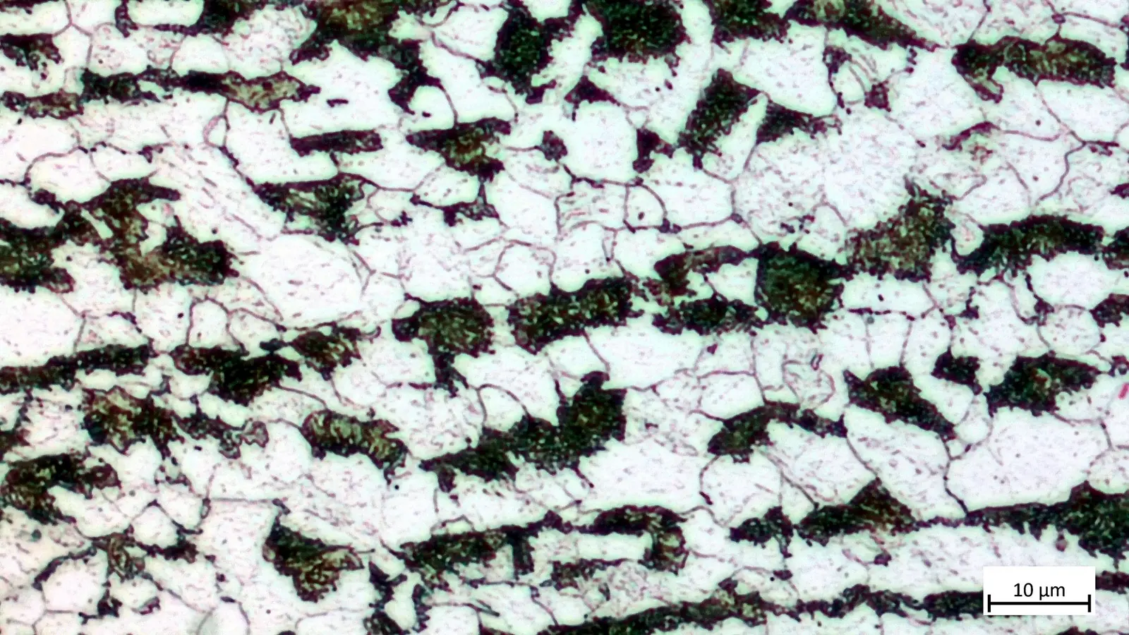
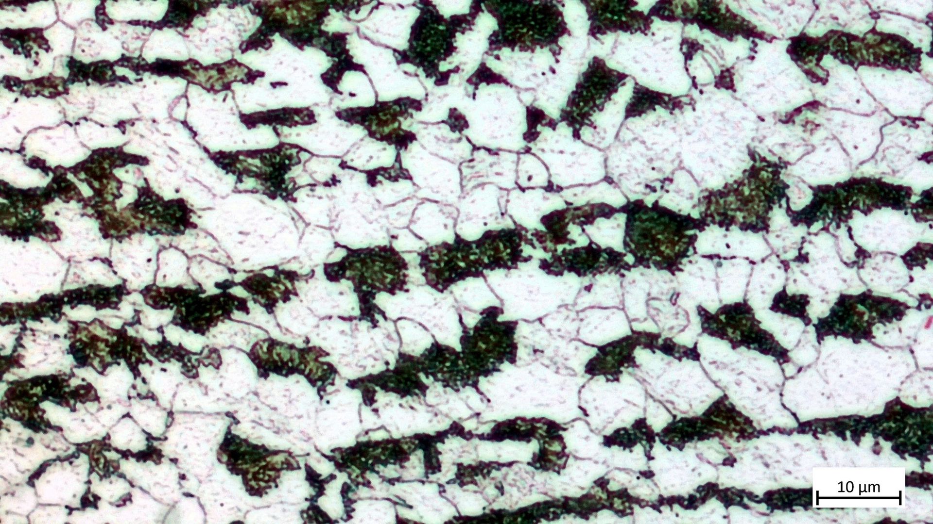
Der Grundwerkstoff und der Werkstoff der einlagigen Schweißung wurden zuvor gewalzt. Er besitzt ein ferritisch-perlitisches Gefüge.
Das Gefüge ist homogen ausgebildet und liegt im normalisierten Zustand vor.
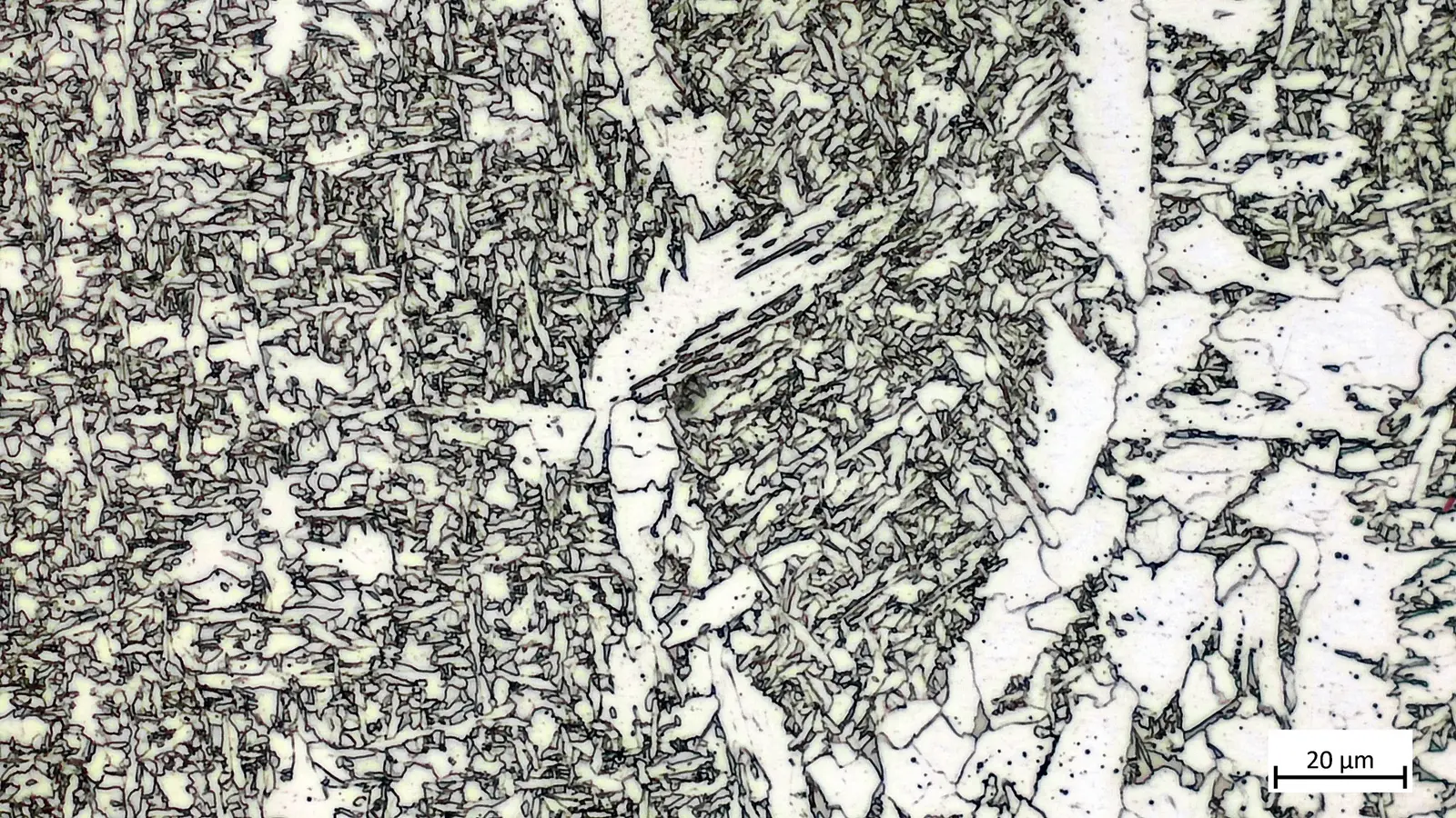
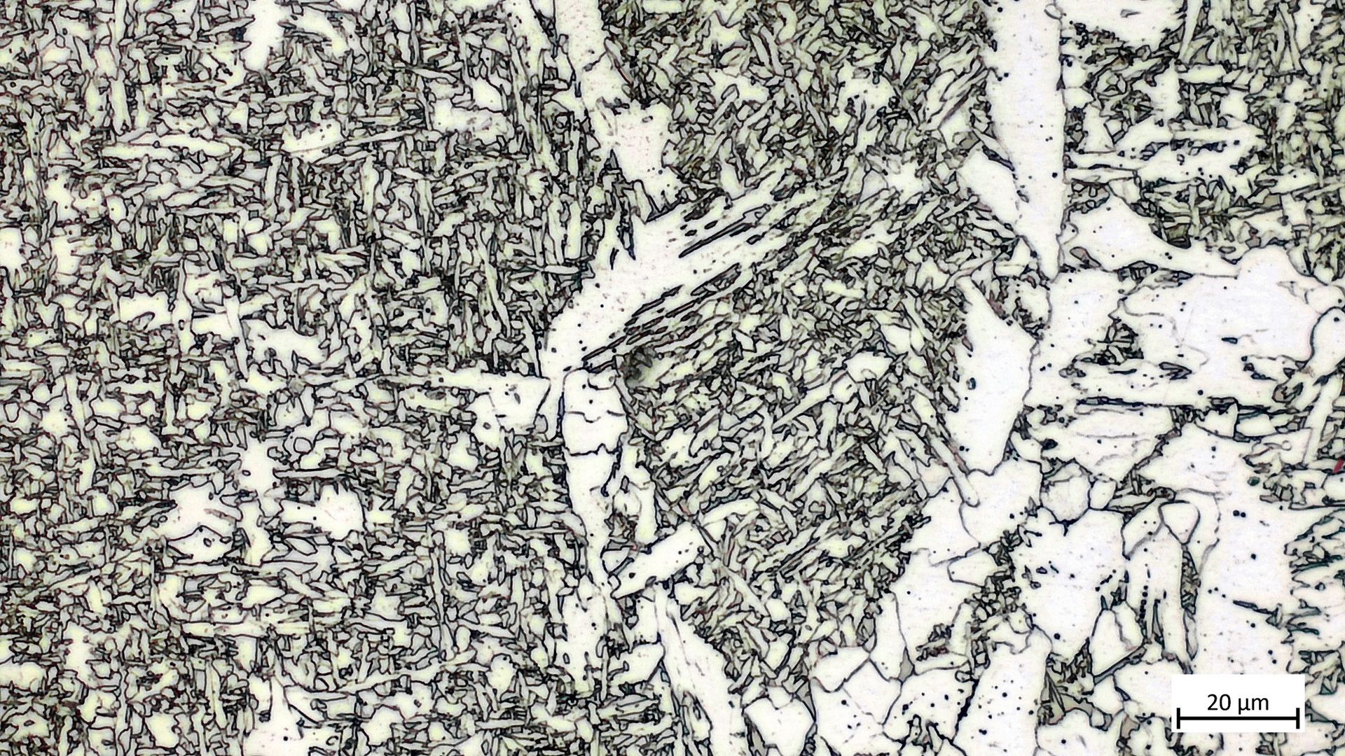
Die einlagige Schweißung weist am Übergang von der Schweißnaht zur Wärmeeinflusszone ein martensitisch-bainitsches Gefüge auf. Im weiteren Verlauf liegt ein ferritisch-martensitisches Zeilengefüge vor. Grund hierfür sind die unterschiedlich hohen Austenitisierungstemperaturen für Perlit und Ferrit. Der Perlit wandelt zuerst in Austenit um und wurde dann durch Selbstabschreckung in Martensit umgewandelt.

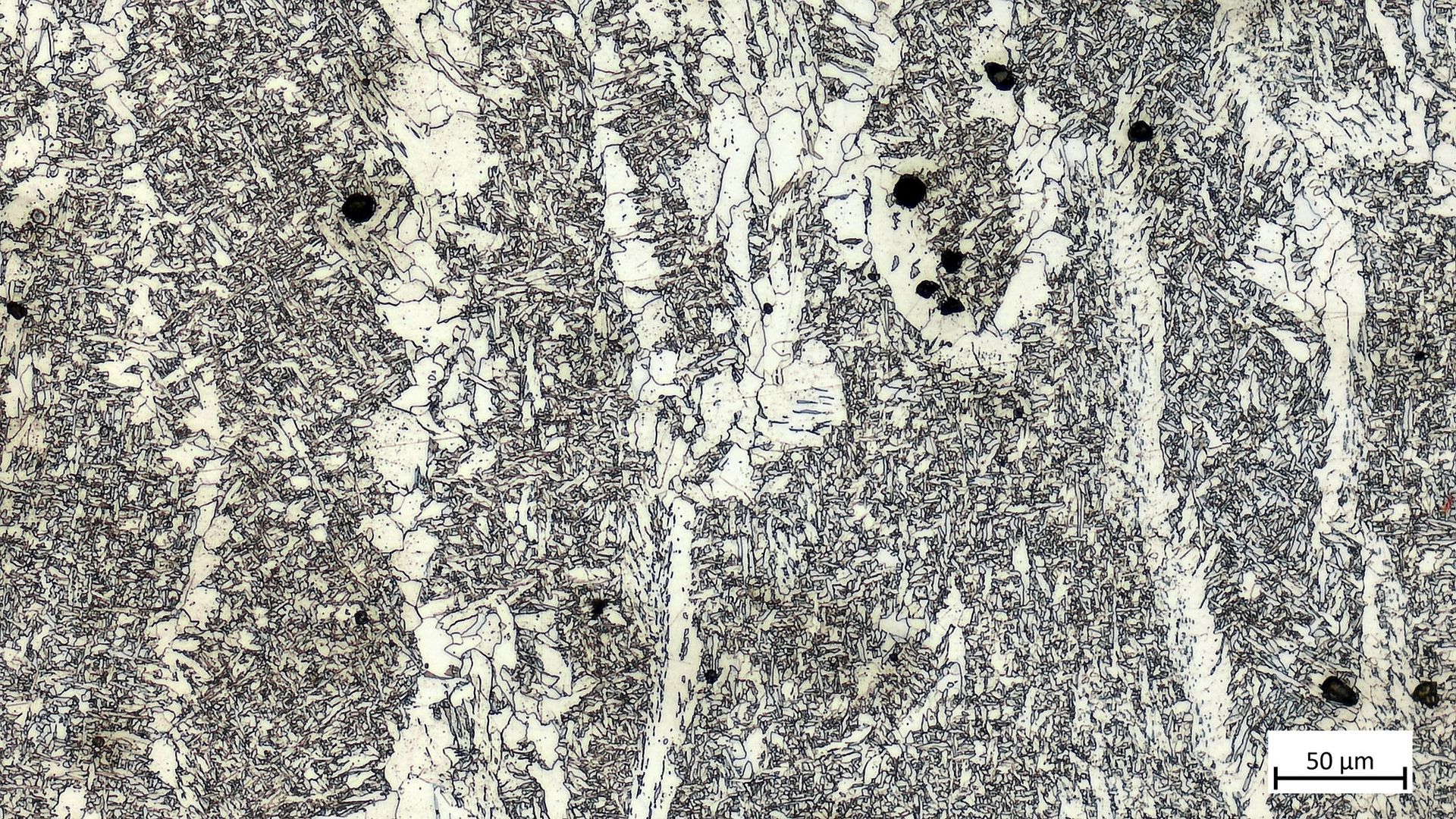
Bei der dreilagigen Schweißung hat sich am Übergang von der Schweißnaht zur Wärmeeinflusszone ein bainitisch-martensitisches Gefüge mit Anteilen an Ferrit gebildet. In Richtung Grundwerkstoff fällt der bainitisch-martensitische Anteil plötzlich ab. Das Gefüge ist nun ferritisch-perlitisch. An manchen Stellen lässt sich eine abgeschwächte Form eines martensitisches Zeilengefüge erkennen.

Sowohl in der einlagigen Schweißnaht als auch in der Decklage der dreilagigen Schweißnaht, ist ein Widmannstättensches Gefüge zu sehen, dieses wird auch Überhitzungsgefüge genannt. In den unteren Lagen der dreilagigen Schweißnaht wurde das Gefüge normalisiert, da durch die mehrlagige Schweißung die Abkühlzeit für die Wurzel und Schweißnahtmitte erhöht wurde.

In den vorliegenden Fällen wurde mit dem Zusatzstoff G4Si1 MAG-geschweißt.

Grundwerkstoff

25x, Nital geätzt, gewalzt
50x
100x
200x
500x
1000x

Einlagige Schweißung:

50x, Übergang Grundwerkstoff/WEZ
50x, Übergang WEZ/Schweißgut
50x, Schweißgut
200x, Übergang GW/WEZ
200x, WEZ
200x, Übergang WEZ/Schweißgut mit Widmannstättenschem Gefüge
500x, WEZ in Nähe GW
500x, WEZ mittig
500x, WEZ in Nähe Schweißnaht
1000x, WEZ in Nähe Schweißnaht
1000x, WEZ mittig

Dreilagige Schweißung:

50x, Übergang Grundwerkstoff/WEZ
50x, Übergang WEZ/Schweißgut
50x, Schweißgut
200x, WEZ
200x, Übergang WEZ/Schweißgut
200x, Schweißgut
500x, Übergang WEZ zu GW
500x, WEZ mittig
500x, Schweißgut mit Widmannstättenschem Gefüge
1000x, WEZ mittig
back-to-top nach oben