1.0038 / S235JR

Dieser Baustahl weist eine Streckgrenze von mindestens 235 N/mm² auf. Seine Kerbschlagarbeit beträgt mindestens 27 J bei 20°C. Er ist in der Regel ohne weitere präventive Maßnahmen gut schweißbar.
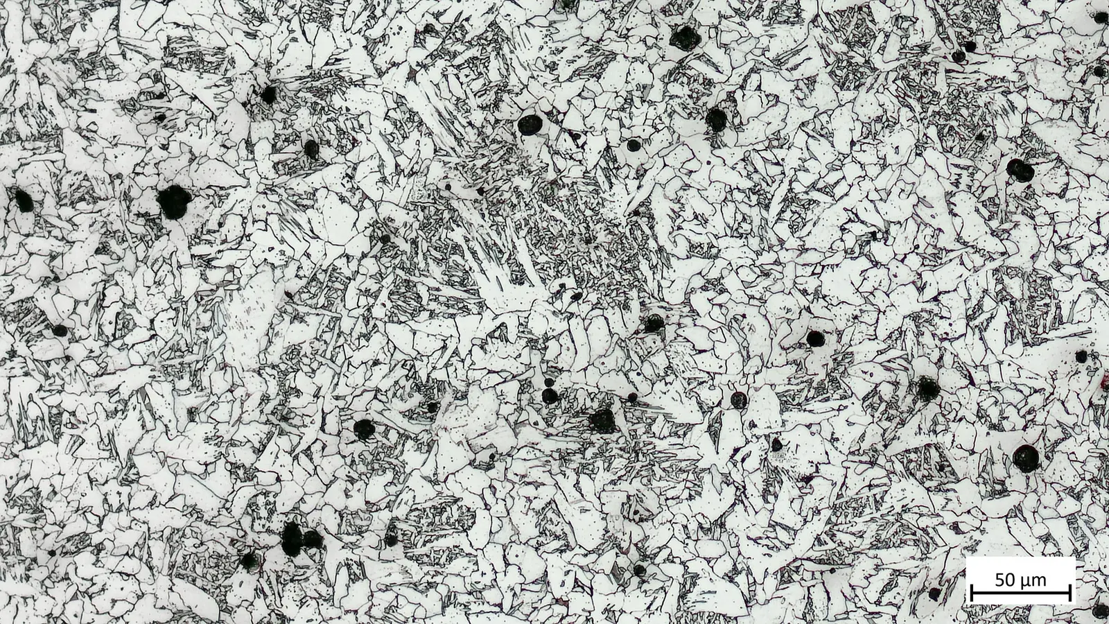
Er besitzt ein ferritisch-perlitisches Gefüge. Das Gefüge ist homogen ausgebildet und liegt im normalisierten Zustand vor.

In den vorliegenden Fällen wurde mit dem Zusatzstoff G4Si1 MAG-geschweißt.

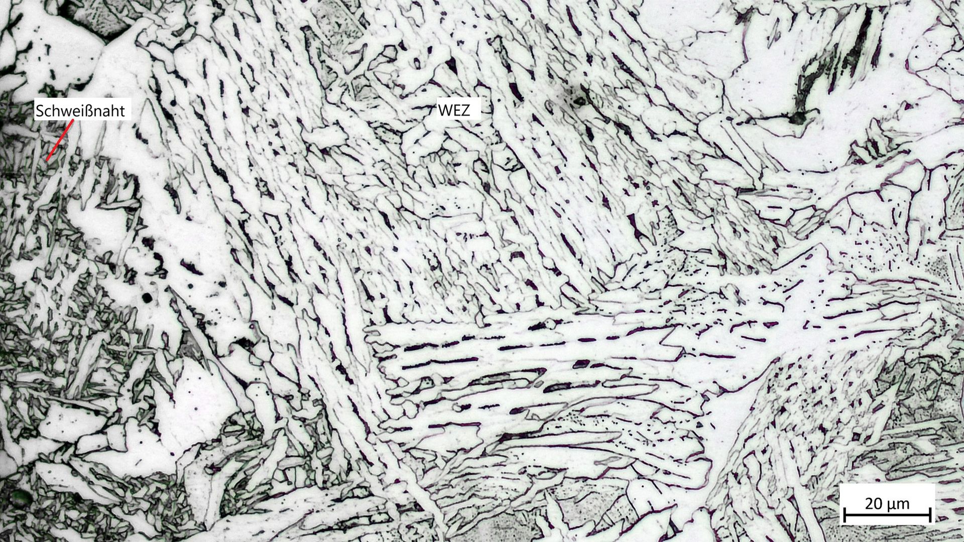
Das ferritisch-perlitische Gefüge wird beim Übergang von der Schweißnaht zur Wärmeeinflusszone grobkörnig. Dieses grobkörnige Gefüge wird in Richtung Grundwerkstoff immer feiner, bis es schließlich die gröbere Struktur des Grundwerkstoffes wieder annimmt.
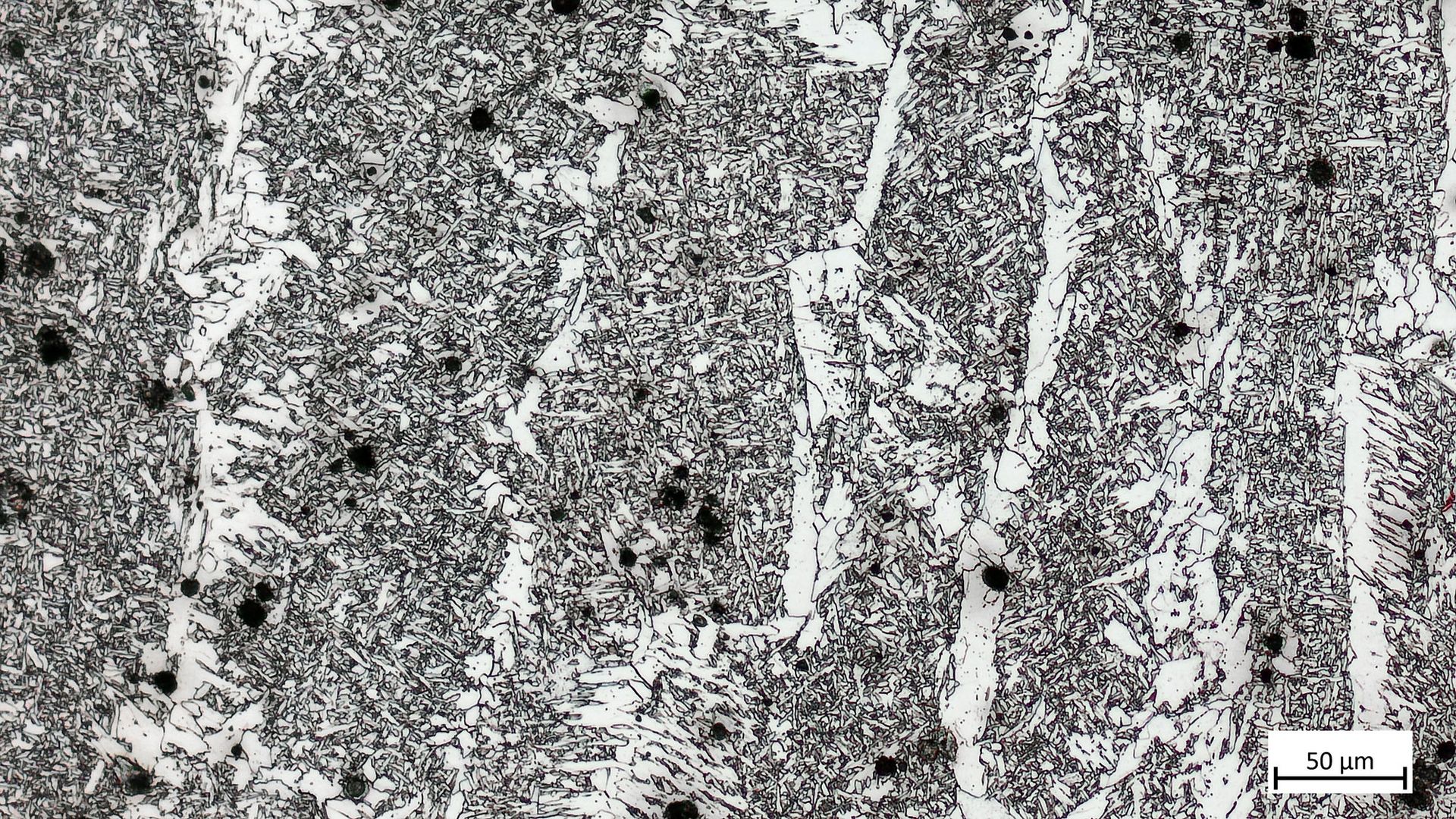
Sowohl in der einlagigen, als auch in der Decklage der dreilagigen Schweißnaht, ist ein Widmannstättensches Gefüge zu sehen, dieses wird auch Überhitzungsgefüge genannt. In den unteren Lagen der dreilagigen Schweißnaht wurde das Gefüge normalisiert, da durch die mehrlagige Schweißung die Abkühlzeit für die Wurzel und Schweißnahtmitte erhöht wurde.

Zur Sichtbarmachung des Gefüges wurde der Baustahl mit einer Nital-Ätzung behandelt.

Grundwerkstoff

25x, Nital geätzt
50x
100x
200x
500x
1000x

Einlagige Schweißung:

50x, Schweißgut
50x, Übergang Schweißgut/WEZ
50x, Übergang WEZ/Grundwerkstoff
200x, Übergang Schweißgut/WEZ
200x, WEZ
500x, Übergang Schweißgut/WEZ
500x, WEZ in Nähe GW
1000x, Schweißgut mit Widmannstättenschem Gefüge

Dreilagige Schweißung:

50x, Schweißnahtwurzel
50x, Schweißnahtmitte
50x, Übergang Schweißgut/WEZ
200x, Schweißnahtdecke
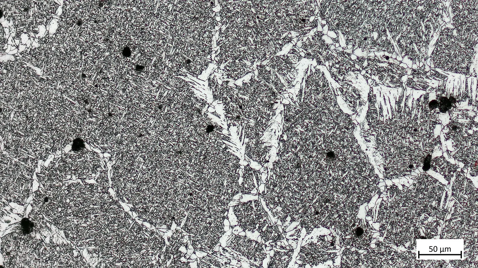
200x, Schweißnahtmitte
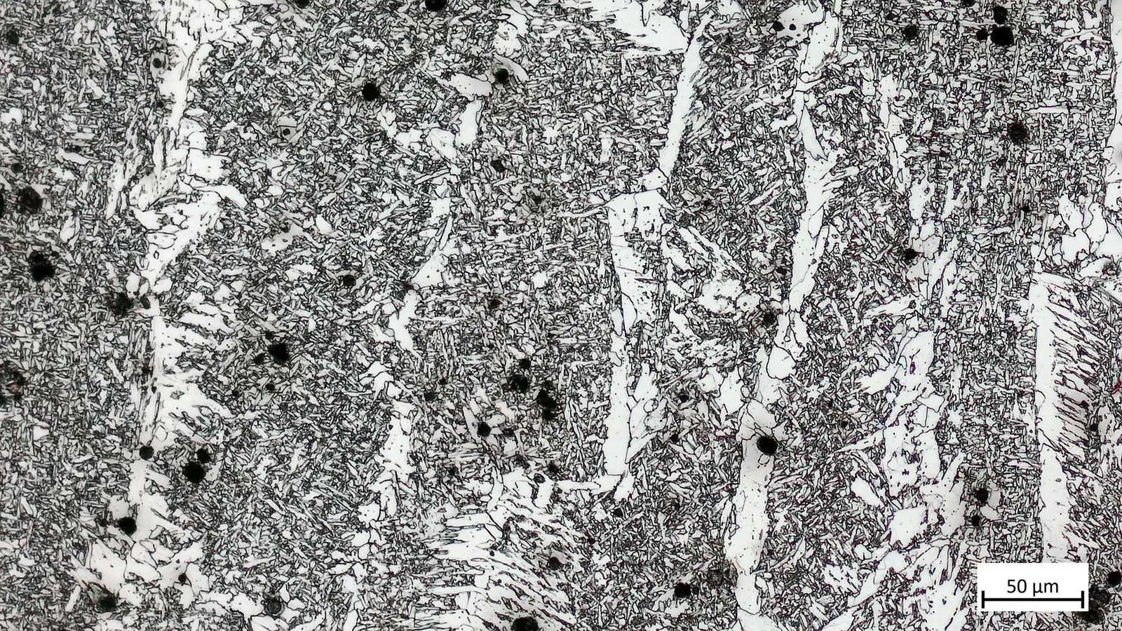
200x, Schweißnahtwurzel
200x, Übergang Schweißgut/WEZ
200x, WEZ
500x, Schweißnahtdecke mit Widmannstättenschem Gefüge
500x, Schweißnahtmitte
500x, Schweißnahtwurzel
500x, Übergang Schweißgut/WEZ
back-to-top nach oben