1.0577 / S355J2

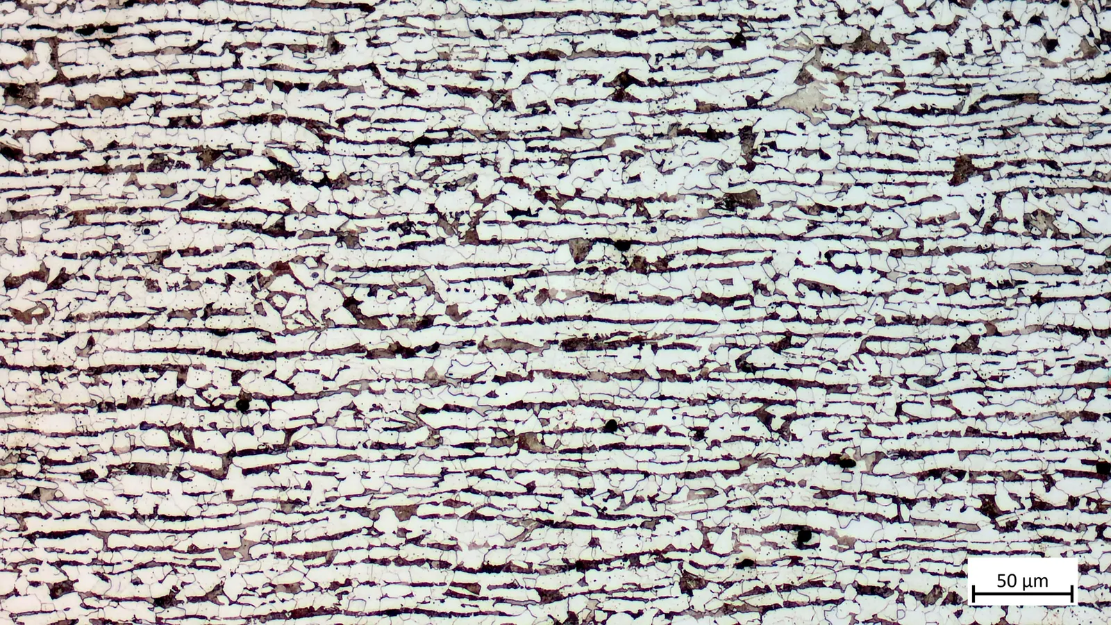
Dieser Baustahl weist eine hohe Festigkeit von mindestens 355 MPa auf. Seine Kerbschlagarbeit beträgt mindestens 27 J bei -20°C. Er ist in der Regel ohne weitere präventive Maßnahmen gut schweißbar. Der S355J2 wird im Allgemeinen im normalisierten Zustand ausgeliefert.

Er besitzt ein ferritisch-perlitisches Zeilengefüge.

_________________________________________________

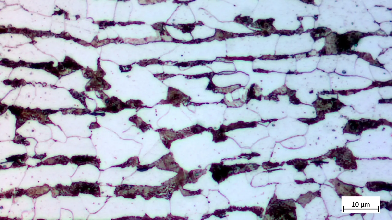
Dieser Baustahl weist eine hohe Festigkeit von mindestens 355 MPa auf. Seine Kerbschlagarbeit beträgt mindestens 27 J bei 0°C. Er ist in der Regel ohne weitere präventive Maßnahmen gut schweißbar. Der S355 J0 + N liegt im normalisierten Zustand vor.

Er besitzt ein ferritisch-perlitisches Gefüge. Das Gefüge weist eine ferritisch perlitisch Zeilenanordnung auf die trotz der normalisierenden Wärmebehandlung nicht vollständig behoben werden konnte.

25x: Nital geätzt
50x
100x
200x
500x
50x; Nital geätzt
100x
200x
500x
1000x

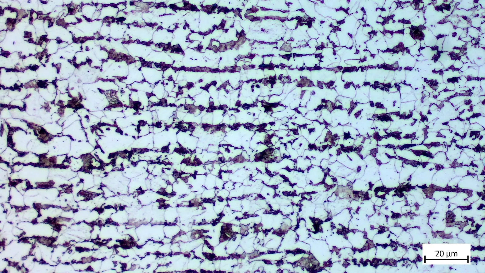
normalisiert

Unvollständige Normalisierung aufgrund zu niedriger Austenitisierungstemperatur. Trotz Verkleinerung der Korngrößen konnte das Ferrit-Perlit Zeilengefüge nicht homogen aufgelöst werden.

50x; Nittal geätzt
100x
200x
500x
1000x

wassergehärtet

50x; Nital geätzt; Randentkohlung
100x; Randentkohlung
200x; Randentkohlung
200x
500x
1000x
back-to-top nach oben