1.0038 / S235JR

Dieser Baustahl weist eine  Festigkeit von mindestens 235 MPa auf . Seine Kerbschlagarbeit beträgt mindestens 27 J bei 20°C. Er ist in der Regel ohne weitere präventive Maßnahmen gut schweißbar. Der S235JR wird im Allgemeinen im normalisierten Zustand ausgeliefert.

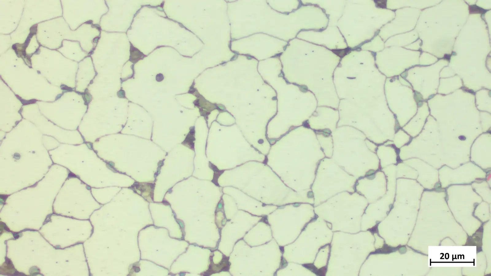
Er besitzt ein ferritisch-perlitisches Gefüge mit Tertiär-Zementit-Ausscheidungen. Das Gefüge ist homogen ausgebildet und liegt im normalisierten Zustand vor.

25x, Nital geätzt
100x
200x
500x
1000x
back-to-top nach oben